Explore ideas, tips guide and info Ashton Easterby
Everything You Need to Know About the TroyBilt Mustang XP 50 Parts Diagram
Everything You Need to Know About the TroyBilt Mustang XP 50 Parts Diagram
Troy Bilt Mustang 50 Parts. Shop TroyBilt Mustang 50 XP 25HP Vtwin Dual Hydrostatic 50in Zero Troy-Bilt Mustang RZT 50" Zero-Turn Mower Replacement Parts For Model 17AF2ACP711 (2007) We Sell Only Genuine Troy-Bilt Parts Find Troy-Bilt 17AF2ACP711 (2007) Parts By Symptom Troy-Bilt 17ARCACQ011 - Troy-Bilt Mustang XP 50" Zero-Turn Mower (2015).
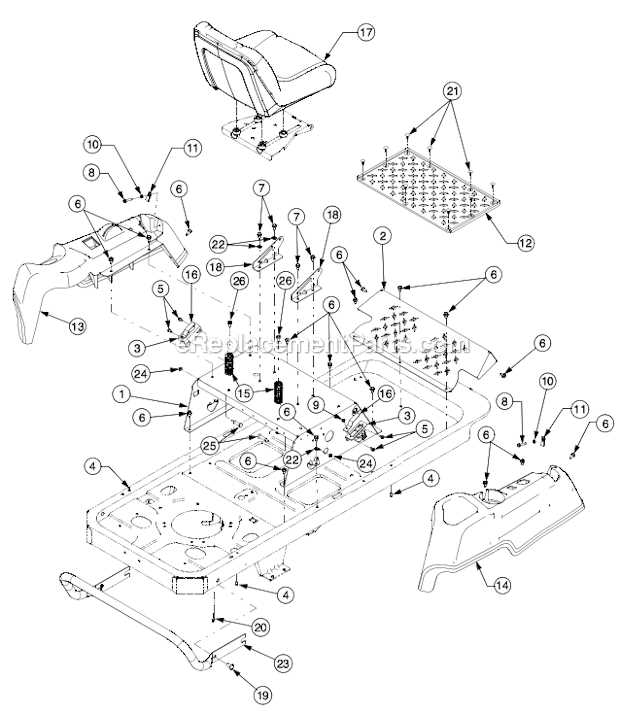
TroyBilt 17ANCACZ066 TroyBilt Mustang XP 50" ZeroTurn Mower, FAB from www.partstree.com
Find blades, belts, cables, engine parts, to keep your machine running strong. Troy-Bilt parts give you a genuine advantage: the confidence of using parts specifically designed for a precise fit and optimal performance
TroyBilt 17ANCACZ066 TroyBilt Mustang XP 50" ZeroTurn Mower, FAB
Troy-Bilt 17ARCACQ011 - Troy-Bilt Mustang XP 50" Zero-Turn Mower (2015). Troy-Bilt 17ARCACQ011 - Troy-Bilt Mustang XP 50" Zero-Turn Mower Parts Lookup with Diagrams - Select Your Model (4) Hide These are the only parts with the in-depth engineering and rigid testing for long-lasting quality.
Troy Bilt 17ARCACQ011 Mustang 50 XP (2015) Parts Diagram for Deck Lift. Moon Boot Icon Nylon Insulated Slip On Unisex Snow Boots Troy-Bilt Mustang and Pivot zero-turn mowers provide the power and maneuverability to care for your yard
Replaces TroyBilt 17AF2ACP711 Mustang RZT 50″ Zero Turn Oil Filter. Find blades, belts, cables, engine parts, to keep your machine running strong. Troy-Bilt 17ARCACQ011 - Troy-Bilt Mustang XP 50" Zero-Turn Mower Parts Lookup with Diagrams - Select Your Model (4) Hide